服务热线:

153-5929-8293

工控自动化 销售企业

行业领先 全球质量标准 数字工业

产品展示
联系我们

联系人:蓝小姐

手机:15359298293

QQ:2259678687

邮箱:lanlan@szcxdcs.com

地址:深圳市宝安区西乡街道臣田社区宝民二路东方雅苑2层B39

GE 531X124MSDAJG1

型号: 531X124MSDAJG1

分类: GE

联系人:蓝小姐

手机:15359298293

QQ:2259678687

邮箱:lanlan@szcxdcs.com

地址:深圳市宝安区西乡街道臣田社区宝民二路东方雅苑2层B39

在线咨询


热卖新品和一年保修
优点:(我将立即给您答复)
1.降低支持成本,  
2.持续提供自动化备件,   
可用数量:1  
保修:12个月。
交货时间:2-5个工作日。
付款方式:银行汇款,微信,支付宝。
快递合作伙伴:顺丰,德邦。
如果您有任何疑问,请不要犹豫与我们联系。我们可以提供各种自动化工控
零备件,如果您想购买零备件,请将零备件型号发给我。
希望任何人向我们咨询,请点击此  http://www.clcxauto.com/a/lianxi/

详细介绍了PLC控制的桥式起重机变频调速系统的硬件构成,以及系统软件的实现。 
关键词:PLC;变频调速;拖动系统;梯形图

1 引言 
         传统桥式起重机的电力拖动系统采用交流绕线转子异步电动机转子串电阻的方法进行起动和调速,继电—接触器控制,这种控制系统的主要缺点有: 
1.1 桥式起重机工作环境恶劣,工作任务重,电动机以及所串电阻烧损和断裂故障时有发生。 
1.2 继电—接触器控制系统可靠性差,操作复杂,故障率高。 
1.3 转子串电阻调速,机械特性软,负载变化时转速也变化,调速不理想。所串电阻长期发热,电能浪费大,效率低。要从根本上解决这些问题,只有彻底改变传统的控制方式。 
年来,随着计算机技术和电力电子器件的迅猛发展,电气传动和自动控制领域也日新月异。其中,具有代表性的交流变频装置和可编程控制器获得了广泛的应用,为PLC控制的变频调速技术在桥式起重机拖动系统中的应用提供了有利条件。

2 系统硬件构成 
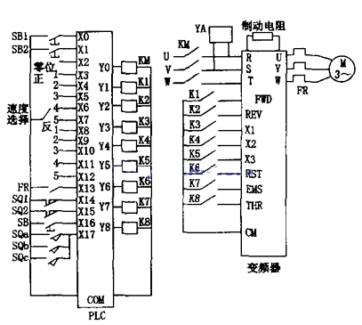
PLC控制的桥式起重机变频调速系统框图如图1所示


桥式起重机大车、小车、主钩,副钩电动机都需独立运行,大车为两台电动机同时拖动,所以整个系统有5台电动机,4台变频器传动,并由4台PLC分别加以控制。 
2.1 可编程控制器:完成系统逻辑控制部分 
控制电动机的正、反转、调速等控制信号进入PLC,PLC经处理后,向变频器发出起停、调速等信号,使电动机工作,是系统的核心。 
2.2 变频器:为电动机提供可变频率的电源,实现电动机的调速。 
2.3 制动电阻:起重机放下重物时,由于重力加速度的原因电动机将处于再生制动状态,拖动系统的动能要反馈到变频器直流电路中,使直流电压不断上升,甚至达到危险的地步。因此,必须将再生到直流电路里的能量消耗掉,使直流电压保持在允许范围内。制动电阻就是用来消耗这部分能量的。 
桥式起重机大车、小车、副钩、主钩电动机工作由各自的PLC控制,大车、小车、副钩、主钩电动机都运行在电动状态,控制过程基本相似,变频器与PLC之间控制关系在硬件组成以及软件的实现基本相同,而主钩电动机运行状态处于电动、倒拉反接或再生制动状态,变频器与PLC之间控制关系在硬件组成以及软件的实现稍有区别。控制小车电动机的变频器与PLC控制原理图如图2所示。 


3 结束语 
        利用PLC控制的变频调速技术,桥式起重机拖动系统的各档速度、加速时间和制动减速时间都可根据现场情况由变频器设置,调整方便。负载变化时,各档速度基本不变,调速性能好。若是改造原有系统,大小车电动机仍可采用原有的绕线转子异步电动机,将转子绕组引出线短接,去掉电刷和集电环,节省更换电动机的费用。





相关标签:
相关产品
在线客服
联系方式

热线电话

15359298293

上班时间

周一到周五

公司电话

15359298293

二维码
线